Karar - Sony Xperia 1 VII
Teaser'daki sorunun cevabı evet, ancak küçük bir sorun var. Otomatik modda fotoğraf çekmekten hoşlanıyorsanız, muhtemelen Xperia 1 VII'den memnun kalmayacaksınız. Tıpkı selefi gibi, Sony akıllı telefon da iyi fotoğraflar çekmek için en küçük ayrıntısına kadar yapılandırılmaya ihtiyaç duyuyor. Standart fotoğraf modunda da çekimler harika, ancak sonuçta "bas-çek" rakiplerinden daha iyi değil.
Sony Xperia 1 VII sadece niş bir ürün değil, aynı zamanda üst düzey bir akıllı telefon. Snapdragon 8 Elite, Wi-Fi 7, uzun pil ömrü, parlak 120 Hz OLED, premium hissi ve güçlü üçlü kamera sistemi ile kesinlikle amiral gemisi bir cihaz olarak adlandırılmayı hak ediyor.
Ancak Xperia 1 VII, selefinin birkaç dezavantajını da devralıyor. Üst ve alt kısımdaki ekran çerçeveleri 2025 standartlarına göre oldukça kalın, şarj maksimum 30 watt'ta çalışıyor ve 256 GB'tan fazla depolama alanı yok. Günümüz standartlarına göre, 12 MP telefoto kamera da üst düzey ihtiyaçlar için yetersiz kalıyor.
Artılar
Eksiler
Fiyat ve bulunabilirlik
Birleşik Krallık'ta Sony Xperia 1 VII adresinden £1,399 karşılığında satın alınabilir üreticiden. İnceleme sırasında, cihaz şu anda ABD'de Amazon'da mevcut değildir.
İçindekiler
- Karar - Sony Xperia 1 VII
- Teknik Özellikler
- Kılıf - Şık dokunuşlara sahip hafif bir kameralı telefon
- Özellikler - Yalnızca 256 GB depolama alanı
- Yazılım - Xperia 1 VII zaten Android 16 adresini çalıştırıyor
- İletişim ve GNSS - İyi GPS ve WiFi özelliklerine sahip bir dünya telefonu 7
- Telefon fonksiyonları ve ses kalitesi
- Kameralar - Otomatik mod tarafından kullanılmayan güçlü teknoloji
- Aksesuarlar ve garanti - USB kablosu da yok
- Giriş cihazları ve kullanım - Duyarlı bir Xperia telefon
- Ekran - BT.2020 renk alanına sahip parlak 120 Hz OLED
- Performans - Xperia 1 VII'de Snapdragon 8 Elite bulunuyor
- Oyunlar - Oyunlar için iyi donanımlı
- Emissions - İyi sese sahip sıcak bir akıllı telefon
- Pil çalışma süreleri - Uzun ömürlü bir Sony akıllı telefon
- Notebookcheck genel değerlendirmesi
- Karşılaştırılan olası alternatifler
Sony, fotoğraf meraklıları için yaratıcı bir araç olduğunu daha da güçlü bir şekilde vurgulayarak üst düzey Xperia 1 akıllı telefonunu yeniden piyasaya sürdü. Xperia 1 VII, artık 48 MP çözünürlüğe sahip daha güçlü bir ultra geniş açılı kameraya (önceden 12 MP) sahip. Ayrıca daha yüksek performans, daha parlak bir ekran ve daha uzun destek sunuyor.
Teknik Özellikler
Kılıf - Şık dokunuşlara sahip hafif bir kameralı telefon
Toza ve suya dayanıklı Xperia 1 VII, üstte ve altta görülen kalın ekran kenarları ile uzun, köşeli tasarımı koruyor Xperia 1 VI. Metal bir çerçeve OLED paneli (Gorilla Glass Victus 2 ile korunmaktadır) Gorilla Glass Victus arka panele bağlamaktadır.
Premium hissiyat da korunmuştur. İnce dokulu yüzey kaplamasıyla birinci sınıf telefonun arka kapağı yeşil, mor ve siyah renklerde mevcuttur. Dokunulduğunda çok yüksek kaliteli bir his veriyor ve kaymaz yüzeyleri parmak izlerine karşı neredeyse bağışıklığını koruyor.
Top 10
» Top 10 Multimedia Notebook listesi
» Top 10 oyun notebooku
» Top 10 bütçeye uygun Ofis/İş Notebook Listesi
» Top 10 Premium Ofis/İş notebookları
» Top 10 Çalışma istasyonu laptopları
» Top 10 Subnotebook listesi
» Top 10 Ultrabooklar
» En iyi 10 dönüştürülebilir modeli
» Seçimi en iyi 10 tablet
» Notebookcheck Top 10 Windows Tabletleri
» Top 10 Subnotebook listesi
» NotebookCheck tarafından incelenen en iyi Notebook ekranları
» Notebookcheck'in 500 Euro altındaki en iyi 10 Notebook listesi
» NotebookCheck tarafından seçilen 300 Euro altındaki en iyi 10 Notebook
» Notebookcheck'in 500 Euro altındaki en iyi 10 Notebook listesi
» Notebookcheck'in Top 10 akıllı telefon listesi
» Notebookcheck'in Top 10 hafif oyun notebookları
Özellikler - Yalnızca 256 GB depolama alanı
Xperia 1 VII, özel bir kamera düğmesi ve 3,5 mm ses jakı ile gelen birinci sınıf bir akıllı telefon için alışılmadık bir şekilde donatılmıştır. Ayrıca, microSD kart aracılığıyla 2 TB'a kadar genişletilebilen yalnızca 256 GB depolama alanı sunuyor. Hızlı USB-C bağlantı noktası, HDMI veya DisplayPort arayüzlerine kablolu görüntü çıkışını destekler. Xperia telefonları USB-C üzerinden Sony kameralar için harici monitör olarak kullanmanın popüler özelliği ne yazık ki artık mevcut değil ve artık yalnızca abonelik yoluyla erişilebilir.
microSD kart okuyucu
MicroSD kart okuyucu, referans kartımız olan Angelbird AV Pro V60 ile yalnızca orta düzeyde aktarım hızlarına ulaştı, bu da onu selefiyle aynı seviyeye getiriyor.
| SD Card Reader | |
| average JPG Copy Test (av. of 3 runs) | |
| Sınıf ortalaması Smartphone (5.72 - 58.9, n=64, son 2 yıl) | |
| Sony Xperia 1 VI (Angelbird AV Pro V60) | |
| maximum AS SSD Seq Read Test (1GB) | |
| Sınıf ortalaması Smartphone (n=1son 2 yıl) | |
| Sony Xperia 1 VII (Angelbird AV Pro V60) | |
Çapraz Platform Disk Testi (CPDT)
Yazılım - Xperia 1 VII zaten Android 16 adresini çalıştırıyor
Xperia 1 VII, Android 15 ile piyasaya sürüldü ve Eylül sonunda yapılan inceleme sırasında Android 16'ya yükseltildi. Sony, Android işletim sistemini Sony UI kullanıcı arayüzü ve birkaç şirket içi uygulama ile tamamlıyor.
Dört işletim sistemi yükseltmesine ek olarak Xperia 1 VII altı yıl boyunca güvenlik güncellemeleri alacak. Ancak Sony'nin mevcut destek hizmetleri Samsung'unkilerle kıyaslanamaz.
Sürdürülebilirlik
Sony, plastik içermeyen ürün ambalajlarını bambu, şeker kamışı ve FSC sertifikalı geri dönüştürülmüş kağıttan yapılan sağlam kağıt malzemeden üretiyor. Nakliye kartonu için kağıt bant kullanılıyor.
Çevresel ayak izini daha da iyileştirmek için Sony, birçok dahili Xperia bileşeni için geri dönüştürülmüş plastik SORPLAS'ı kullanıyor. Üretici, ürünlerinin ve faaliyetlerinin ekolojik ayak izini 2050 yılına kadar sıfıra indirmeyi hedefliyor.
İletişim ve GNSS - İyi GPS ve WiFi özelliklerine sahip bir dünya telefonu 7
Xperia 1 VII, DACH bölgesi için önemli olan tüm 4G ve 5G mobil frekanslarını destekliyor ve aynı zamanda yurtdışında kullanım için iyi bir donanıma sahip.
Akıllı telefon Bluetooth 6.0, NFC ve kısa menzilli bağlantı için Wi-Fi 7'yi destekliyor. Referans yönlendiricimiz olan Asus ROG Rapture GT-AXE11000 ile 6 GHz bandında 1.359 Mbps'ye kadar ulaşan büyük ölçüde istikrarlı Wi-Fi aktarım hızları elde etti.
| Networking | |
| Sony Xperia 1 VII | |
| iperf3 transmit AXE11000 | |
| iperf3 receive AXE11000 | |
| iperf3 transmit AXE11000 6GHz | |
| iperf3 receive AXE11000 6GHz | |
| Apple iPhone 16 Pro Max | |
| iperf3 transmit AXE11000 | |
| iperf3 receive AXE11000 | |
| iperf3 transmit AXE11000 6GHz | |
| iperf3 receive AXE11000 6GHz | |
| Google Pixel 9 Pro | |
| iperf3 transmit AXE11000 | |
| iperf3 receive AXE11000 | |
| iperf3 transmit AXE11000 6GHz | |
| iperf3 receive AXE11000 6GHz | |
| Honor Magic7 Pro | |
| iperf3 transmit AXE11000 | |
| iperf3 receive AXE11000 | |
| iperf3 transmit AXE11000 6GHz | |
| iperf3 receive AXE11000 6GHz | |
| Samsung Galaxy S25 Ultra | |
| iperf3 transmit AXE11000 | |
| iperf3 receive AXE11000 | |
| iperf3 transmit AXE11000 6GHz | |
| iperf3 receive AXE11000 6GHz | |
| Sony Xperia 1 VI | |
| iperf3 transmit AXE11000 | |
| iperf3 receive AXE11000 | |
| iperf3 transmit AXE11000 6GHz | |
| iperf3 receive AXE11000 6GHz | |
| Xiaomi 15 Ultra | |
| iperf3 transmit AXE11000 | |
| iperf3 receive AXE11000 | |
| iperf3 transmit AXE11000 6GHz | |
| iperf3 receive AXE11000 6GHz | |
| Ortalama 802.11 a/b/g/n/ac/ax/be | |
| iperf3 transmit AXE11000 | |
| iperf3 receive AXE11000 | |
| iperf3 transmit AXE11000 6GHz | |
| iperf3 receive AXE11000 6GHz | |
| Sınıf ortalaması Smartphone | |
| iperf3 transmit AXE11000 | |
| iperf3 receive AXE11000 | |
| iperf3 transmit AXE11000 6GHz | |
| iperf3 receive AXE11000 6GHz | |
Yaklaşık 10 kilometrelik bir bisiklet yolculuğunda, akıllı telefon bizi neredeyse Garmin Venu 2 fitness akıllı saati kadar hassas bir şekilde konumlandırdı ve navigasyon için çok uygun hale getirdi. Daha yoğun yapılaşmanın olduğu bölümlerde bazen daha da isabetli oldu.
Telefon fonksiyonları ve ses kalitesi
Testlerimizde Xperia 1 VII, kulaklık ve hoparlör aracılığıyla mükemmel çağrı kalitesiyle yüksek puan aldı. Etkili gürültü engelleme özelliği sayesinde arayanın sesi doğal ve kolayca anlaşılabilir şekilde geliyordu.
VoLTE'ye ek olarak Sony telefon Wi-Fi aramayı ve çift SIM'i de destekliyor. SIM tepsisine yalnızca bir SIM kart sığıyor, ancak bir eSIM de etkinleştirilebiliyor.
Kameralar - Otomatik mod tarafından kullanılmayan güçlü teknoloji
Tıpkı selefi gibi Xperia 1 VII de üçlü kamera kurulumuna sahip ve Zeiss lensler kullanıyor. Bununla birlikte, ultra geniş açılı kamera artık 48 MP çözünürlüğe sahip ve odak uzaklığı aralığını 16 ila 170 milimetreye çıkarıyor.
48 MP ana kamera ve 7.1x optik zoom özellikli 12 MP telefoto kamera değişmedi. Selfie kamerası da 12 MP çözünürlüğünü korudu. Sağlam görüntü kalitesi ve güzel bokeh ile etkileyicidir.
Otomatik moddaki çekimler, üst düzey rakiplerde görülenlerden neredeyse daha iyi, ancak yalnızca Pro modlarında gerçekten kendilerine geliyorlar. Otomatik modda, ana ve ultra geniş açılı kameralar gün ışığında hala çok iyi fotoğraflar çekiyor ve düşük ışık koşullarında bile oldukça iyi performans gösteriyor. Bu, 120 fps'de 4K'ya kadar kaydedilebilen video kayıtları için de geçerlidir.
Telefoto kamera, değişken 3,5x ila 7,1x yakınlaştırma ile rakiplerinin görüntü kalitesine tam olarak uymuyor, ancak iyi netlikte sağlam çekimler yapmayı başarıyor.
Görüntü Karşılaştırma
Bir sahne seçin ve ilk görüntüde gezinin. Tek bir tıklama dokunmatik ekranlardaki konumu değiştirir. Yakınlaştırılmış görüntüye tek tıklamayla orijinal yeni bir pencerede açılır. İlk resimde test cihazının ölçekli fotoğrafı gösterilmektedir.
Daylight imageDaylight imageUltra-wide angle5x zoomLowlight image


Aksesuarlar ve garanti - USB kablosu da yok
Sony, Xperia 1 VII için 30 watt'lık güç adaptörünü çıkarmıştır. Telefon sadece hızlı başlangıç kılavuzu ve güvenlik bilgileri kitapçığı ile birlikte geliyor.
Sony Xperia 1 VII 24 ay garanti sunuyor.
Giriş cihazları ve kullanım - Duyarlı bir Xperia telefon
Tarafından desteklenmektedir Snapdragon 8 Elite12 GB RAM ve 240 Hz örnekleme hızına sahip hassas dokunmatik ekranıyla Xperia 1 VII, mükemmel sistem performansına ulaşıyor. Doğrusal titreşim motoru ince dokunsal geri bildirim sağlar.
Yüz tanıma özelliğinin olmaması nedeniyle telefonun kilidi yalnızca parmak izi sensörü kullanılarak biyometrik olarak açılabiliyor. Bu sensör güç düğmesinin içine yerleştirilmiş ve güvenilir bir şekilde çalışıyor.
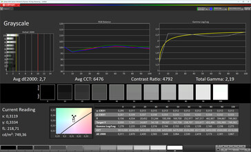
Ekran - BT.2020 renk alanına sahip parlak 120 Hz OLED
Sony, 6,5 inç OLED'i "şimdiye kadarki en parlak Xperia ekranı" olarak adlandırıyor Maksimum 1.655 cd/m² (APL18) ve 1.979 cd/m² (HDR) parlaklığa sahip 120 Hz panel çok iyi bir parlaklık sunuyor. Ancak, Xperia I VI'dan neredeyse hiç daha parlak değil.
Ölçülen her parlaklık seviyesinde 240 Hz'lik PWM titremesi gözlemledik. OLED titremesine karşı hassas olan kullanıcılar biraz rahatsızlık duyabilirler.
| |||||||||||||||||||||||||
Aydınlatma: 99 %
Batarya modunda parlaklık: 1441 cd/m²
Kontrast: ∞:1 (Siyah: 0 cd/m²)
ΔE ColorChecker Calman: 3.2 | ∀{0.5-29.43 Ø4.75}
ΔE Greyscale Calman: 2.7 | ∀{0.09-98 Ø5}
100% sRGB (Calman 2D)
Gamma: 2.19
CCT: 6476 K
| Sony Xperia 1 VII OLED, 2340x1080, 6.5" | Apple iPhone 16 Pro Max Super Retina XDR OLED, 2868x1320, 6.9" | Google Pixel 9 Pro OLED, 2856x1280, 6.3" | Honor Magic7 Pro OLED, 2800x1280, 6.8" | Samsung Galaxy S25 Ultra Dynamic AMOLED 2X, 3120x1440, 6.9" | Sony Xperia 1 VI OLED, 2340x1080, 6.5" | Xiaomi 15 Ultra AMOLED, 3200x1440, 6.7" | |
|---|---|---|---|---|---|---|---|
| Screen | 1% | 44% | 32% | 0% | 7% | 14% | |
| Brightness middle (cd/m²) | 1441 | 1055 -27% | 2083 45% | 1607 12% | 1357 -6% | 1305 -9% | 1041 -28% |
| Brightness (cd/m²) | 1450 | 1061 -27% | 2016 39% | 1609 11% | 1350 -7% | 1319 -9% | 1059 -27% |
| Brightness Distribution (%) | 99 | 93 -6% | 84 -15% | 95 -4% | 94 -5% | 98 -1% | 96 -3% |
| Black Level * (cd/m²) | |||||||
| Colorchecker dE 2000 * | 3.2 | 1.5 53% | 0.7 78% | 0.9 72% | 3.1 3% | 2.8 13% | 1 69% |
| Colorchecker dE 2000 max. * | 4.6 | 4.7 -2% | 2 57% | 1.8 61% | 4.7 -2% | 4.5 2% | 2.7 41% |
| Greyscale dE 2000 * | 2.7 | 2.3 15% | 1.1 59% | 1.7 37% | 2.2 19% | 1.4 48% | 1.9 30% |
| Gamma | 2.19 100% | 2.21 100% | 2.22 99% | 2.24 98% | 2 110% | 2.19 100% | 2.23 99% |
| CCT | 6476 100% | 6625 98% | 6560 99% | 6346 102% | 6391 102% | 6361 102% | 6697 97% |
* ... daha küçük daha iyidir
Ekran Titremesi / PWM (Darbe Genişliği Modülasyonu)
| Ekran titriyor / PWM algılandı | 240 Hz Amplitude: 14.49 % | ||
Ekran arka ışığı 240 Hz'de titriyor (en kötü durum, örneğin PWM kullanılması) . 240 Hz frekansı nispeten düşüktür, bu nedenle hassas kullanıcılar belirtilen parlaklık ayarında ve altında muhtemelen titremeyi fark edecek ve göz yorgunluğu yaşayacaktır. Karşılaştırıldığında: Test edilen tüm cihazların %53 %'si ekranı karartmak için PWM kullanmıyor. PWM tespit edilirse, ortalama 7962 (minimum: 5 - maksimum: 343500) Hz ölçüldü. | |||
Sabit bir yakınlaştırma seviyesi ve farklı parlaklık ayarlarıyla bir dizi ölçüm (Minimum parlaklıktaki genlik eğrisi düz görünür, ancak bunun nedeni ölçeklendirmedir. Minimum parlaklıktaki genliğin büyütülmüş versiyonu bilgi kutusunda görülebilir)
Standart modda, renk kalibrasyonu tam olarak mükemmel değildir, ancak günlük kullanımda sapmalar neredeyse hiç fark edilmez. Creator modu, DCI-P3 renk alanı yerine daha büyük BT.2020 renk alanını kullanan ve 10 bit renk derinliği ile HDR için optimize edilmiş ikinci bir görüntü modu sunuyor. Beyaz dengesi her iki durumda da manuel olarak ayarlanabiliyor.
Yanıt Sürelerini Görüntüle
| ↔ Tepki Süresi Siyahtan Beyaza | ||
|---|---|---|
| 1.13 ms ... yükseliş ↗ ve sonbahar↘ birleşimi | ↗ 0.578 ms yükseliş | |
| ↘ 0.5555 ms sonbahar | ||
| Ekran, testlerimizde çok hızlı yanıt oranları gösteriyor ve hızlı oyun oynamaya çok uygun olmalı. Karşılaştırıldığında, test edilen tüm cihazlar 0.1 (minimum) ile 240 (maksimum) ms arasında değişir. » Tüm cihazların 5 %'si daha iyi. Bu, ölçülen yanıt süresinin test edilen tüm cihazların ortalamasından (20 ms) daha iyi olduğu anlamına gelir. | ||
| ↔ Tepki Süresi %50 Griden %80 Griye | ||
| 1.22 ms ... yükseliş ↗ ve sonbahar↘ birleşimi | ↗ 0.5655 ms yükseliş | |
| ↘ 0.654 ms sonbahar | ||
| Ekran, testlerimizde çok hızlı yanıt oranları gösteriyor ve hızlı oyun oynamaya çok uygun olmalı. Karşılaştırıldığında, test edilen tüm cihazlar 0.165 (minimum) ile 636 (maksimum) ms arasında değişir. » Tüm cihazların 5 %'si daha iyi. Bu, ölçülen yanıt süresinin test edilen tüm cihazların ortalamasından (31.3 ms) daha iyi olduğu anlamına gelir. | ||
Performans - Xperia 1 VII'de Snapdragon 8 Elite bulunuyor
Ile Snapdragon 8 Elitexperia 1 VII, en hızlı Android SoC'lerden birine sahiptir ve bu sayede en zorlu uygulamalarda bile durdurulamaz. Sony telefon aynı zamanda kayda değer bir GPU performansı da sunuyor.
| UL Procyon AI Inference for Android - Overall Score NNAPI | |
| Google Pixel 9 Pro | |
| Samsung Galaxy S25 Ultra | |
| Honor Magic7 Pro | |
| Sınıf ortalaması Smartphone (3769 - 81594, n=115, son 2 yıl) | |
| Xiaomi 15 Ultra | |
| Sony Xperia 1 VII | |
| Sony Xperia 1 VI | |
| Ortalama Qualcomm Snapdragon 8 Elite (8865 - 22767, n=18) | |
| Geekbench AI | |
| Single Precision NPU 1.7 | |
| Sınıf ortalaması Smartphone (80 - 5210, n=86, son 2 yıl) | |
| Sony Xperia 1 VII | |
| Ortalama Qualcomm Snapdragon 8 Elite (246 - 676, n=10) | |
| Half Precision NPU 1.7 | |
| Sınıf ortalaması Smartphone (80 - 36297, n=86, son 2 yıl) | |
| Sony Xperia 1 VII | |
| Ortalama Qualcomm Snapdragon 8 Elite (249 - 669, n=10) | |
| Quantized NPU 1.7 | |
| Sınıf ortalaması Smartphone (133 - 49889, n=86, son 2 yıl) | |
| Sony Xperia 1 VII | |
| Ortalama Qualcomm Snapdragon 8 Elite (508 - 1576, n=10) | |
Bu Adreno 830 xperia 1 VII'nin 3DMark gibi grafik kıyaslamalarında sürekli olarak en üst sıralarda yer almasına yardımcı oluyor. Karşılaştırma cihazları arasında sadece Samsung Galaxy S25 Ultra biraz daha yüksek saatli olması nedeniyle daha hızlıdır Snapdragon 8 Elite için Galaxy
GFXBench (DX / GLBenchmark) 2.7: T-Rex Onscreen | 1920x1080 T-Rex Offscreen
GFXBench 3.0: on screen Manhattan Onscreen OGL | 1920x1080 1080p Manhattan Offscreen
GFXBench 3.1: on screen Manhattan ES 3.1 Onscreen | 1920x1080 Manhattan ES 3.1 Offscreen
GFXBench: on screen Car Chase Onscreen | 1920x1080 Car Chase Offscreen | on screen Aztec Ruins High Tier Onscreen | 2560x1440 Aztec Ruins High Tier Offscreen | on screen Aztec Ruins Normal Tier Onscreen | 1920x1080 Aztec Ruins Normal Tier Offscreen | 3840x2160 4K Aztec Ruins High Tier Offscreen
| 3DMark / Wild Life Extreme Unlimited | |
| Samsung Galaxy S25 Ultra | |
| Sony Xperia 1 VII | |
| Honor Magic7 Pro | |
| Xiaomi 15 Ultra | |
| Apple iPhone 16 Pro Max | |
| Sony Xperia 1 VI | |
| Google Pixel 9 Pro | |
| 3DMark / Wild Life Extreme | |
| Samsung Galaxy S25 Ultra | |
| Sony Xperia 1 VII | |
| Xiaomi 15 Ultra | |
| Honor Magic7 Pro | |
| Apple iPhone 16 Pro Max | |
| Sony Xperia 1 VI | |
| Google Pixel 9 Pro | |
| 3DMark / Wild Life Unlimited Score | |
| Samsung Galaxy S25 Ultra | |
| Sony Xperia 1 VII | |
| Honor Magic7 Pro | |
| Xiaomi 15 Ultra | |
| Sony Xperia 1 VI | |
| Apple iPhone 16 Pro Max | |
| Google Pixel 9 Pro | |
| 3DMark / Solar Bay Score | |
| Samsung Galaxy S25 Ultra | |
| Sony Xperia 1 VII | |
| Honor Magic7 Pro | |
| Xiaomi 15 Ultra | |
| Apple iPhone 16 Pro Max | |
| Sony Xperia 1 VI | |
| Google Pixel 9 Pro | |
| 3DMark / Solar Bay Unlimited Score | |
| Samsung Galaxy S25 Ultra | |
| Sony Xperia 1 VII | |
| Honor Magic7 Pro | |
| Xiaomi 15 Ultra | |
| Sony Xperia 1 VI | |
| Apple iPhone 16 Pro Max | |
| Google Pixel 9 Pro | |
| 3DMark / Steel Nomad Light Unlimited Score | |
| Samsung Galaxy S25 Ultra | |
| Xiaomi 15 Ultra | |
| Xiaomi 15 Ultra | |
| Sony Xperia 1 VII | |
| Honor Magic7 Pro | |
| Apple iPhone 16 Pro Max | |
| Sony Xperia 1 VI | |
| Google Pixel 9 Pro | |
| 3DMark / Steel Nomad Light Score | |
| Samsung Galaxy S25 Ultra | |
| Sony Xperia 1 VII | |
| Honor Magic7 Pro | |
| Xiaomi 15 Ultra | |
| Xiaomi 15 Ultra | |
| Apple iPhone 16 Pro Max | |
| Sony Xperia 1 VI | |
| Google Pixel 9 Pro | |
| GFXBench (DX / GLBenchmark) 2.7 / T-Rex Onscreen | |
| Google Pixel 9 Pro | |
| Sony Xperia 1 VI | |
| Xiaomi 15 Ultra | |
| Samsung Galaxy S25 Ultra | |
| Honor Magic7 Pro | |
| Sony Xperia 1 VII | |
| Apple iPhone 16 Pro Max | |
| GFXBench (DX / GLBenchmark) 2.7 / T-Rex Offscreen | |
| Sony Xperia 1 VII | |
| Xiaomi 15 Ultra | |
| Samsung Galaxy S25 Ultra | |
| Honor Magic7 Pro | |
| Apple iPhone 16 Pro Max | |
| Sony Xperia 1 VI | |
| Google Pixel 9 Pro | |
| GFXBench 3.0 / Manhattan Onscreen OGL | |
| Sony Xperia 1 VI | |
| Xiaomi 15 Ultra | |
| Samsung Galaxy S25 Ultra | |
| Honor Magic7 Pro | |
| Sony Xperia 1 VII | |
| Google Pixel 9 Pro | |
| Apple iPhone 16 Pro Max | |
| GFXBench 3.0 / 1080p Manhattan Offscreen | |
| Samsung Galaxy S25 Ultra | |
| Sony Xperia 1 VII | |
| Xiaomi 15 Ultra | |
| Honor Magic7 Pro | |
| Apple iPhone 16 Pro Max | |
| Sony Xperia 1 VI | |
| Google Pixel 9 Pro | |
| GFXBench 3.1 / Manhattan ES 3.1 Onscreen | |
| Sony Xperia 1 VI | |
| Xiaomi 15 Ultra | |
| Samsung Galaxy S25 Ultra | |
| Honor Magic7 Pro | |
| Sony Xperia 1 VII | |
| Google Pixel 9 Pro | |
| Apple iPhone 16 Pro Max | |
| GFXBench 3.1 / Manhattan ES 3.1 Offscreen | |
| Honor Magic7 Pro | |
| Xiaomi 15 Ultra | |
| Sony Xperia 1 VII | |
| Samsung Galaxy S25 Ultra | |
| Sony Xperia 1 VI | |
| Apple iPhone 16 Pro Max | |
| Google Pixel 9 Pro | |
| GFXBench / Car Chase Onscreen | |
| Sony Xperia 1 VII | |
| Sony Xperia 1 VI | |
| Honor Magic7 Pro | |
| Samsung Galaxy S25 Ultra | |
| Xiaomi 15 Ultra | |
| Apple iPhone 16 Pro Max | |
| Google Pixel 9 Pro | |
| GFXBench / Car Chase Offscreen | |
| Sony Xperia 1 VII | |
| Xiaomi 15 Ultra | |
| Honor Magic7 Pro | |
| Samsung Galaxy S25 Ultra | |
| Sony Xperia 1 VI | |
| Apple iPhone 16 Pro Max | |
| Google Pixel 9 Pro | |
| GFXBench / Aztec Ruins High Tier Onscreen | |
| Sony Xperia 1 VII | |
| Sony Xperia 1 VI | |
| Honor Magic7 Pro | |
| Samsung Galaxy S25 Ultra | |
| Xiaomi 15 Ultra | |
| Apple iPhone 16 Pro Max | |
| Google Pixel 9 Pro | |
| GFXBench / Aztec Ruins High Tier Offscreen | |
| Sony Xperia 1 VII | |
| Samsung Galaxy S25 Ultra | |
| Xiaomi 15 Ultra | |
| Honor Magic7 Pro | |
| Sony Xperia 1 VI | |
| Apple iPhone 16 Pro Max | |
| Google Pixel 9 Pro | |
| GFXBench / Aztec Ruins Normal Tier Onscreen | |
| Sony Xperia 1 VI | |
| Xiaomi 15 Ultra | |
| Samsung Galaxy S25 Ultra | |
| Honor Magic7 Pro | |
| Sony Xperia 1 VII | |
| Google Pixel 9 Pro | |
| Apple iPhone 16 Pro Max | |
| GFXBench / Aztec Ruins Normal Tier Offscreen | |
| Sony Xperia 1 VII | |
| Xiaomi 15 Ultra | |
| Honor Magic7 Pro | |
| Samsung Galaxy S25 Ultra | |
| Sony Xperia 1 VI | |
| Apple iPhone 16 Pro Max | |
| Google Pixel 9 Pro | |
| GFXBench / 4K Aztec Ruins High Tier Offscreen | |
| Samsung Galaxy S25 Ultra | |
| Xiaomi 15 Ultra | |
| Sony Xperia 1 VII | |
| Honor Magic7 Pro | |
| Sony Xperia 1 VI | |
| Apple iPhone 16 Pro Max | |
| Google Pixel 9 Pro | |
| Jetstream 2 - 2.0 Total Score | |
| Apple iPhone 16 Pro Max (Safari Mobile 18.0.1) | |
| Samsung Galaxy S25 Ultra (Chrome 132) | |
| Sony Xperia 1 VII (Chrome 139.0.7258.160) | |
| Honor Magic7 Pro (Chrome 131) | |
| Xiaomi 15 Ultra (Chrome 132) | |
| Ortalama Qualcomm Snapdragon 8 Elite (75.1 - 329, n=18) | |
| Sony Xperia 1 VI (Chrome 127.0.6533.64) | |
| Sınıf ortalaması Smartphone (23.8 - 358, n=126, son 2 yıl) | |
| Google Pixel 9 Pro (Chrome 131.0.6778.81) | |
| Speedometer 2.0 - Result 2.0 | |
| Apple iPhone 16 Pro Max (Safari Mobile 18.0.1) | |
| Samsung Galaxy S25 Ultra (Chrome 132) | |
| Honor Magic7 Pro (Chrome 131) | |
| Ortalama Qualcomm Snapdragon 8 Elite (244 - 603, n=9) | |
| Xiaomi 15 Ultra (Chrome 132) | |
| Sony Xperia 1 VII (Chrome 139.0.7258.160) | |
| Sony Xperia 1 VI (Chrome 127.0.6533.64) | |
| Sınıf ortalaması Smartphone (15.2 - 643, n=99, son 2 yıl) | |
| Google Pixel 9 Pro (Chrome 131.0.6778.81) | |
| Speedometer 3 - Score 3.0 | |
| Apple iPhone 16 Pro Max (Safari Mobile 18.0.1) | |
| Samsung Galaxy S25 Ultra (Chrome 132) | |
| Honor Magic7 Pro (Chrome 131) | |
| Xiaomi 15 Ultra | |
| Ortalama Qualcomm Snapdragon 8 Elite (11.7 - 36.8, n=17) | |
| Sony Xperia 1 VII (Chrome 139.0.7258.160) | |
| Sony Xperia 1 VI (Chrome 127.0.6533.64) | |
| Google Pixel 9 Pro (Chrome 131.0.6778.81) | |
| Sınıf ortalaması Smartphone (1.03 - 42.8, n=109, son 2 yıl) | |
| WebXPRT 4 - Overall | |
| Apple iPhone 16 Pro Max (Safari Mobile 18.0.1) | |
| Samsung Galaxy S25 Ultra (Chrome 132) | |
| Honor Magic7 Pro (Chrome 131) | |
| Sony Xperia 1 VI (Chrome 127.0.6533.64) | |
| Xiaomi 15 Ultra (Chrome 132) | |
| Ortalama Qualcomm Snapdragon 8 Elite (102 - 255, n=18) | |
| Sony Xperia 1 VII (Chrome 139.0.7258.160) | |
| Sınıf ortalaması Smartphone (27 - 306, n=121, son 2 yıl) | |
| Google Pixel 9 Pro (Chrome 131.0.6778.81) | |
| Octane V2 - Total Score | |
| Apple iPhone 16 Pro Max (Safari Mobile 18.0.1) | |
| Samsung Galaxy S25 Ultra (Chrome 132) | |
| Honor Magic7 Pro (Chrome 131) | |
| Sony Xperia 1 VII (Chrome 139.0.7258.160) | |
| Xiaomi 15 Ultra (Chrome 132) | |
| Sony Xperia 1 VI (Chrome 127.0.6533.64) | |
| Ortalama Qualcomm Snapdragon 8 Elite (25448 - 95506, n=25) | |
| Google Pixel 9 Pro (Chrome 131.0.6778.81) | |
| Sınıf ortalaması Smartphone (2228 - 126661, n=169, son 2 yıl) | |
| Mozilla Kraken 1.1 - Total | |
| Sınıf ortalaması Smartphone (257 - 28190, n=137, son 2 yıl) | |
| Google Pixel 9 Pro (Chrome 131.0.6778.81) | |
| Sony Xperia 1 VI (Chrome 127.0.6533.64) | |
| Ortalama Qualcomm Snapdragon 8 Elite (383 - 1258, n=20) | |
| Xiaomi 15 Ultra (Chrome 132) | |
| Sony Xperia 1 VII (Chrome 139.0.7258.160) | |
| Honor Magic7 Pro (Chrome 131) | |
| Samsung Galaxy S25 Ultra (Chrome 132) | |
| Apple iPhone 16 Pro Max (Safari Mobile 18.0.1) | |
* ... daha küçük daha iyidir
| Sony Xperia 1 VII | Google Pixel 9 Pro | Honor Magic7 Pro | Samsung Galaxy S25 Ultra | Sony Xperia 1 VI | Xiaomi 15 Ultra | Ortalama 256 GB UFS 4.0 Flash | Sınıf ortalaması Smartphone | |
|---|---|---|---|---|---|---|---|---|
| AndroBench 3-5 | -64% | -14% | -18% | 5% | -9% | -18% | -42% | |
| Sequential Read 256KB (MB/s) | 3847.82 | 1717.9 -55% | 3910.81 2% | 3823.28 -1% | 3804.21 -1% | 4109.79 7% | 3627 ? -6% | 2102 ? -45% |
| Sequential Write 256KB (MB/s) | 2936.71 | 253.53 -91% | 3683.81 25% | 3361.24 14% | 3348.35 14% | 3761.19 28% | 2681 ? -9% | 1803 ? -39% |
| Random Read 4KB (MB/s) | 477 | 218.41 -54% | 282.34 -41% | 287.85 -40% | 446.31 -6% | 312.69 -34% | 379 ? -21% | 293 ? -39% |
| Random Write 4KB (MB/s) | 613.9 | 261.55 -57% | 357.04 -42% | 331.61 -46% | 681.02 11% | 379.29 -38% | 405 ? -34% | 349 ? -43% |
Oyunlar - Oyunlar için iyi donanımlı
Gamebench kullanarak yaptığımız ölçümler aracı, Xperia 1 VII'nin elbette oyun oynamak için uygun olduğunu gösteriyor. Games Optimizer ile, her oyunun örneğin performans ayarlarıyla ilgili olarak ayrı ayrı yapılandırılabileceği uygun bir uygulama önceden yüklenmiştir.
Emissions - İyi sese sahip sıcak bir akıllı telefon
Sıcaklık
Normal kullanım sırasında Xperia 1 VII'nin yüzeyi serin kaldı, ancak sürekli yük altında önemli ölçüde ısındı. Burnout benchmark kullanılarak yapılan stres testinde 48,3°C'ye varan sıcaklıklar ölçtük.
Dahili olarak, SoC çok ısındığında performansını hızla düşürdü. 3DMark stres testi senaryolarında performans yaklaşık üçte bir oranında düştü.
(-) Üst taraftaki maksimum sıcaklık, 35.2 °C / 95 F ortalamasına kıyasla 48.3 °C / 119 F'dir. , Smartphone sınıfı için 21.9 ile 247 °C arasında değişir.
(-) Alt kısım, 34 °C / 93 F ortalamasına kıyasla maksimum 47.7 °C / 118 F'ye kadar ısınır
(+) Boşta kullanımda, üst tarafın ortalama sıcaklığı 24.1 °C / 75 F olup, cihazın 32.9 °C / 91 F.
3DMark Steel Nomad Stres Testi
| 3DMark | |
| Wild Life Stress Test Stability | |
| Apple iPhone 16 Pro Max | |
| Google Pixel 9 Pro | |
| Xiaomi 15 Ultra | |
| Sony Xperia 1 VII | |
| Honor Magic7 Pro | |
| Samsung Galaxy S25 Ultra | |
| Sony Xperia 1 VI | |
| Wild Life Extreme Stress Test | |
| Google Pixel 9 Pro | |
| Xiaomi 15 Ultra | |
| Apple iPhone 16 Pro Max | |
| Sony Xperia 1 VII | |
| Samsung Galaxy S25 Ultra | |
| Sony Xperia 1 VI | |
| Solar Bay Stress Test Stability | |
| Apple iPhone 16 Pro Max | |
| Xiaomi 15 Ultra | |
| Sony Xperia 1 VII | |
| Samsung Galaxy S25 Ultra | |
| Sony Xperia 1 VI | |
| Honor Magic7 Pro | |
| Steel Nomad Light Stress Test Stability | |
| Google Pixel 9 Pro | |
| Apple iPhone 16 Pro Max | |
| Honor Magic7 Pro | |
| Sony Xperia 1 VI | |
| Xiaomi 15 Ultra | |
| Sony Xperia 1 VII | |
| Samsung Galaxy S25 Ultra | |
Konuşmacılar
Genel olarak, Dolby Atmos sertifikalı iki hoparlör çok dengeli ses veriyor ve bas eksikliğine rağmen akıllı telefon sesinin ön saflarında yer alıyor.
Bununla birlikte, Bluetooth 6.0 veya 3,5 mm jak aracılığıyla Xperia 1 VII'ye kulaklık veya hoparlör bağlayarak daha da iyi ses elde edersiniz. İkincisi, 99,84 dBFS'lik sinyal-gürültü oranı sayesinde çok düşük gürültü sunuyor.
Sony Xperia 1 VII ses analizi
(+) | hoparlörler nispeten yüksek sesle çalabilir (89 dB)
Bas 100 - 315Hz
(-) | neredeyse hiç bas yok - ortalama olarak medyandan 21.2% daha düşük
(+) | bas doğrusaldır (6.6% delta ile önceki frekans)
Ortalar 400 - 2000 Hz
(+) | dengeli ortalar - medyandan yalnızca 3.1% uzakta
(+) | orta frekanslar doğrusaldır (4.3% deltadan önceki frekansa)
Yüksekler 2 - 16 kHz
(+) | dengeli yüksekler - medyandan yalnızca 1.9% uzakta
(+) | yüksekler doğrusaldır (2.5% deltadan önceki frekansa)
Toplam 100 - 16.000 Hz
(+) | genel ses doğrusaldır (13.9% ortancaya göre fark)
Aynı sınıfla karşılaştırıldığında
» Bu sınıftaki tüm test edilen cihazların %1%'si daha iyi, 1% benzer, 98% daha kötüydü
» En iyisinin deltası 11% idi, ortalama 35% idi, en kötüsü 134% idi
Test edilen tüm cihazlarla karşılaştırıldığında
» Test edilen tüm cihazların %15'si daha iyi, 4 benzer, % 81 daha kötüydü
» En iyisinin deltası 4% idi, ortalama 24% idi, en kötüsü 134% idi
Sony Xperia 1 VI ses analizi
(+) | hoparlörler nispeten yüksek sesle çalabilir (87.9 dB)
Bas 100 - 315Hz
(-) | neredeyse hiç bas yok - ortalama olarak medyandan 20.8% daha düşük
(±) | Bas doğrusallığı ortalamadır (7.6% delta - önceki frekans)
Ortalar 400 - 2000 Hz
(+) | dengeli ortalar - medyandan yalnızca 2.6% uzakta
(+) | orta frekanslar doğrusaldır (4.1% deltadan önceki frekansa)
Yüksekler 2 - 16 kHz
(+) | dengeli yüksekler - medyandan yalnızca 3.7% uzakta
(+) | yüksekler doğrusaldır (4.6% deltadan önceki frekansa)
Toplam 100 - 16.000 Hz
(+) | genel ses doğrusaldır (14.4% ortancaya göre fark)
Aynı sınıfla karşılaştırıldığında
» Bu sınıftaki tüm test edilen cihazların %1%'si daha iyi, 2% benzer, 97% daha kötüydü
» En iyisinin deltası 11% idi, ortalama 35% idi, en kötüsü 134% idi
Test edilen tüm cihazlarla karşılaştırıldığında
» Test edilen tüm cihazların %18'si daha iyi, 4 benzer, % 78 daha kötüydü
» En iyisinin deltası 4% idi, ortalama 24% idi, en kötüsü 134% idi
Pil çalışma süreleri - Uzun ömürlü bir Sony akıllı telefon
Güç tüketimi
5.000 mAh pil 30 watt'a kadar şarj edilebilir. Üçüncü taraf bir güç adaptörü (Ugreen 2C1A, 65 watt) kullanıldığında bir şarj döngüsü 1 saat 28 dakika sürüyor.
Akıllı telefonun güç tüketimi bu nedenle göze batmayan olarak tanımlanabilir.
| Kapalı / Bekleme modu | |
| Boşta | |
| Çalışırken |
|
Key:
min: | |
| Sony Xperia 1 VII 5000 mAh | Apple iPhone 16 Pro Max 4685 mAh | Google Pixel 9 Pro 4700 mAh | Honor Magic7 Pro 5270 mAh | Samsung Galaxy S25 Ultra 5000 mAh | Sony Xperia 1 VI 5000 mAh | Xiaomi 15 Ultra 5410 mAh | Ortalama Qualcomm Snapdragon 8 Elite | Sınıf ortalaması Smartphone | |
|---|---|---|---|---|---|---|---|---|---|
| Power Consumption | -14% | -26% | -54% | -21% | 0% | 3% | -68% | -41% | |
| Idle Minimum * (Watt) | 0.42 | 0.42 -0% | 0.59 -40% | 0.94 -124% | 0.55 -31% | 0.4 5% | 0.49 -17% | 1.09 ? -160% | 0.876 ? -109% |
| Idle Average * (Watt) | 0.93 | 1.55 -67% | 1.1 -18% | 1.5 -61% | 0.77 17% | 0.81 13% | 0.87 6% | 1.66 ? -78% | 1.466 ? -58% |
| Idle Maximum * (Watt) | 0.95 | 1.58 -66% | 1.2 -26% | 1.57 -65% | 0.91 4% | 0.85 11% | 0.94 1% | 1.879 ? -98% | 1.66 ? -75% |
| Load Average * (Watt) | 8.62 | 3.41 60% | 7.15 17% | 11.03 -28% | 13.81 -60% | 9.25 -7% | 8.82 -2% | 8.87 ? -3% | 6.51 ? 24% |
| Load Maximum * (Watt) | 12.47 | 11.82 5% | 20.37 -63% | 11.68 6% | 16.69 -34% | 14.99 -20% | 9.26 26% | 12.8 ? -3% | 11 ? 12% |
* ... daha küçük daha iyidir
Güç tüketimi: Geekbench (150 cd/m²)
Güç tüketimi: GFXbench (150 cd/m²)
Pil ömrü
Sony Xperia 1 VII mükemmel pil ömrü ile yüksek puan alıyor. Gerçekçi bir Wi-Fi testinde, neredeyse 21,5 saatlik bir çalışma süresi elde etti. Bu da onu karşılaştırma paketinin en tepesine yerleştiriyor, hatta Apple iPhone 16 Pro Max. Ancak, her iki modele de pek yaklaşamıyor Honor Magic7 Pro ya da Samsung Galaxy S25 Ultra.
Notebookcheck genel değerlendirmesi
Sony Xperia 1 VII, çok güçlü bir donanıma ve kapsamlı bir kamera kurulumuna sahip üst düzey bir akıllı telefon. Bununla birlikte, yaklaşık 1.400 sterlinlik Sony telefonu yalnızca kamera ayarlarını kendileri yapmak isteyen kullanıcılar için uygundur ve Xperia 1 VII otomatik modda diğer üst düzey akıllı telefonlardan pek de farklı değildir.
Sony Xperia 1 VII
- 09/22/2025 v8
Manuel Masiero
Karşılaştırılan olası alternatifler
Resim | Modeli / incelemeler | Fiyat | Ağırlık | Sürücü | Ekran |
|---|---|---|---|---|---|
| Sony Xperia 1 VII Qualcomm Snapdragon 8 Elite ⎘ Qualcomm Adreno 830 ⎘ 12 GB Bellek, 256 GB | Amazon: Liste fiyatı: 1499€ | 197 g | 256 GB UFS 4.0 Flash | 6.50" 2340x1080 396 PPI OLED | |
| Apple iPhone 16 Pro Max Apple A18 Pro ⎘ Apple A18 Pro GPU ⎘ 8 GB Bellek, 256 GB NVMe | Amazon: Liste fiyatı: 1449€ | 227 g | 256 GB NVMe | 6.90" 2868x1320 458 PPI Super Retina XDR OLED | |
| Google Pixel 9 Pro Google Tensor G4 ⎘ ARM Mali-G715 MP7 ⎘ 16 GB Bellek, 128 GB | Amazon: | 199 g | 128 GB UFS 3.1 Flash | 6.30" 2856x1280 495 PPI OLED | |
| Honor Magic7 Pro Qualcomm Snapdragon 8 Elite ⎘ Qualcomm Adreno 830 ⎘ 12 GB Bellek, 512 GB | Amazon: $960.00 Liste fiyatı: 1300€ | 223 g | 512 GB UFS 4.0 Flash | 6.80" 2800x1280 453 PPI OLED | |
| Samsung Galaxy S25 Ultra Qualcomm Snapdragon 8 Elite for Galaxy ⎘ Qualcomm Adreno 830 ⎘ 12 GB Bellek, 256 GB | Liste fiyatı: 1449€ | 218 g | 256 GB UFS 4.0 Flash | 6.90" 3120x1440 498 PPI Dynamic AMOLED 2X | |
| Sony Xperia 1 VI Qualcomm Snapdragon 8 Gen 3 ⎘ Qualcomm Adreno 750 ⎘ 12 GB Bellek, 256 GB | Liste fiyatı: 1399€ | 192 g | 256 GB UFS 4.0 Flash | 6.50" 2340x1080 396 PPI OLED | |
| Xiaomi 15 Ultra Qualcomm Snapdragon 8 Elite ⎘ Qualcomm Adreno 830 ⎘ 16 GB Bellek, 512 GB | Liste fiyatı: 1499€ | 229 g | 512 GB UFS 4.1 Flash | 6.73" 3200x1440 521 PPI AMOLED |
Şeffaflık
İncelenecek cihazların seçimi editör ekibimiz tarafından yapılır. Test örneği, bu incelemenin amacı doğrultusunda üretici veya perakendeci tarafından yazara ödünç olarak sağlanmıştır. Borç verenin bu inceleme üzerinde herhangi bir etkisi olmadığı gibi, üretici de yayınlanmadan önce bu incelemenin bir kopyasını almamıştır. Bu incelemeyi yayınlama zorunluluğu yoktu. Bağımsız bir medya şirketi olarak Notebookcheck, üreticilerin, perakendecilerin veya yayıncıların otoritesine tabi değildir.
Notebookcheck bu şekilde test yapıyor
Notebookcheck, tüm sonuçların karşılaştırılabilir olmasını sağlamak için her yıl yüzlerce dizüstü bilgisayarı ve akıllı telefonu standart prosedürler kullanarak bağımsız olarak inceliyor. Yaklaşık 20 yıldır test yöntemlerimizi sürekli olarak geliştirdik ve bu süreçte endüstri standartlarını belirledik. Test laboratuvarlarımızda deneyimli teknisyenler ve editörler tarafından yüksek kaliteli ölçüm ekipmanları kullanılmaktadır. Bu testler çok aşamalı bir doğrulama sürecini içerir. Karmaşık derecelendirme sistemimiz, nesnelliği koruyan yüzlerce sağlam temellere dayanan ölçüm ve kıyaslamaya dayanmaktadır.
































































